Микроконтроллеры ST Microelectronics Cortex-M4
Микроконтроллеры на базе процессора Cortex-M4: STM32F446
Назначение выводов (pinout diagram)
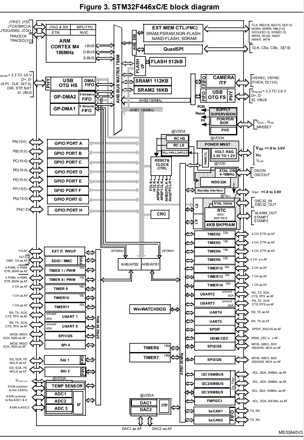
Block diagram
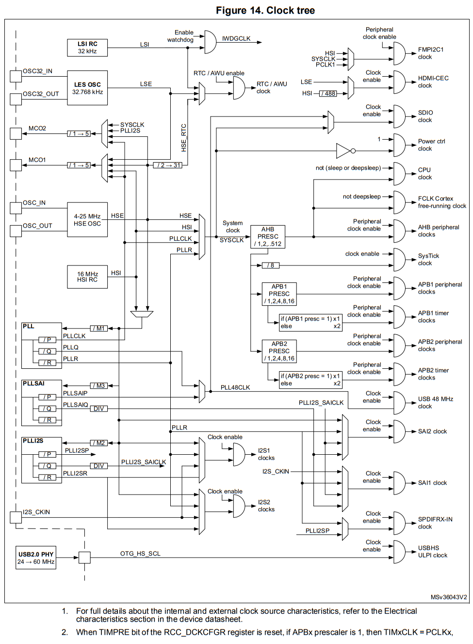
Clock Tree
Альтернативные функции Port A
Альтернативные функции Port B
Альтернативные функции Port C
RCC - регистры сброса и тактирования