Микроконтроллеры ST Microelectronics на ядре Cortex-M0 STM32F030x4/x6/x8/xC

Общая информация по микроконтроллерам STM32 MCUs 32-bit ARM Cortex-M

Микроконтроллеры на базе процессора Cortex-M0: STM32F030

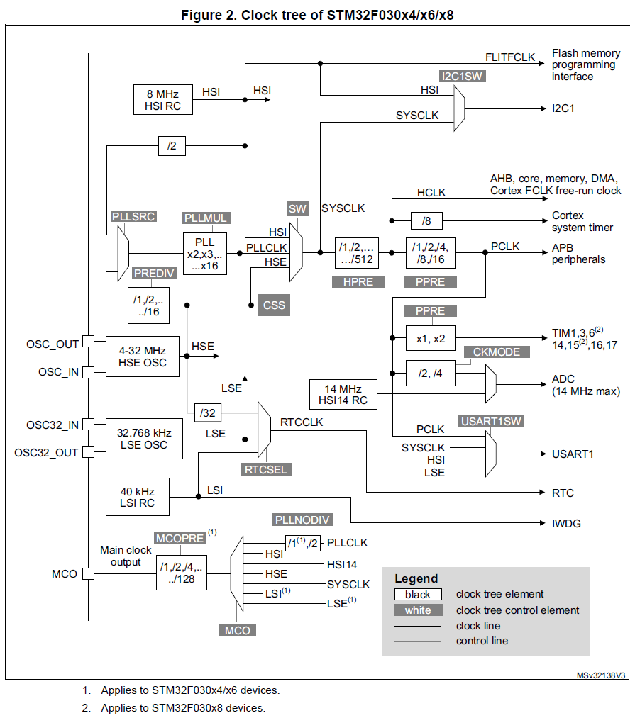
RCC - регистры сброса и тактирования

GPIOs - регистры ввода-вывода общего назначения

TIM1 - таймер с расширенным управлением

TIM3 - таймер общего назначения

USART

I2C - последовательный интерфейс

DMA - прямой доступ к памяти

SPI - последовательный интерфейс