Микроконтроллеры Holtek
Микроконтроллеры Holtek HT32F59041: 32-bit ARM Cortex-M0+
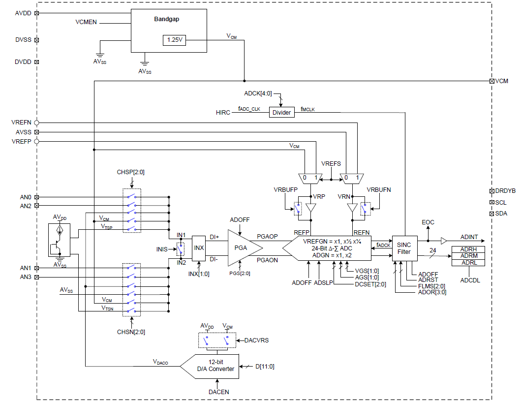
24-bit ADC block diagram
PinOut HT32F59041
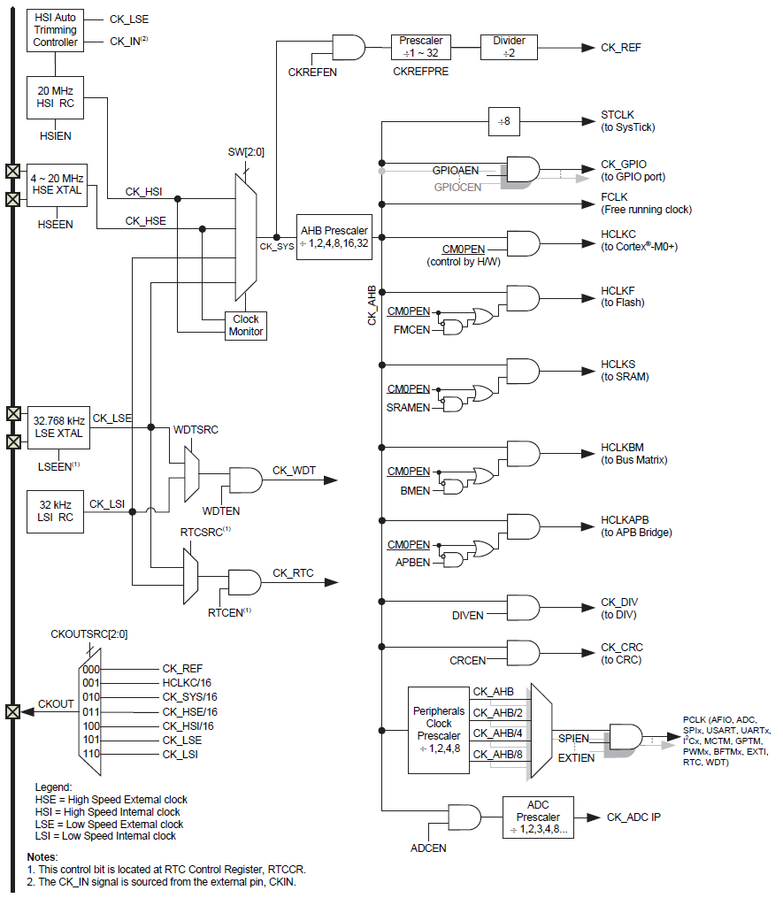
Блок-схема тактовых частот
Регистры 24-битного АЦП
CKCU - блок управления тактовой частотой
Описание работы
Регистры CKCU